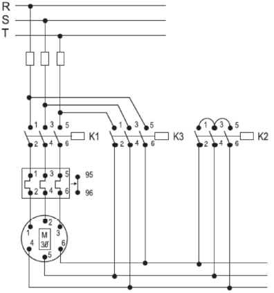
A respeito da partida de motores usando a chave estrela-triângulo, cujo diagrama de força é apresentado na figura abaixo, considere as afirmativas a seguir.

I - No instante da partida do motor, somente as chaves contatoras K1 e K3 são energizadas.
II - Após chaveamento da ligação estrela para triângulo, somente as chaves contatoras K1 e K2 estarão energizadas.
III - No regime permanente de operação, somente as chaves contatoras K1 e K3 estarão energizadas.
Está correto APENAS o que se afirma em: