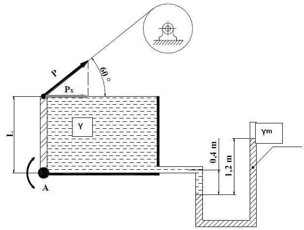
A comporta de uma pequena usina hidroelétrica pode ser movimentada por um cabo de aço, com a força P, em torno da articulação em A. Sendo dados:
γm = 136.000 N/m3; γ = 10.000 N/m3; !$ σ !$r= 60 Kgf/mm2(material do cabo de aço); Ks = 6 (coeficiente de segurança); a comporta é quadrada e de lado L; e sabendose que ela está totalmente fechada e em equilíbrio pela componente horizontal Px da força P,
pede-se determinar o diâmetro D em mm do cabo que a articula.
Considerar 1Kgf = 10 N;!$ π !$= letra grega aproximadamente 3,14.
Nota – Arredondar cada resultado parcial para o inteiro mais próximo e só depois realizar o cálculo subsequente.
O diâmetro D se refere ao diâmetro equivalente à área da matriz metálica do cabo que, para facilitar os cálculos, pode ser considerado uma barra redonda flexível longitudinalmente.

Assinale a alternativa que apresenta o diâmetro D (mm) corretamente.