- Tecnologia das ConstruçõesSistemas e Elementos ConstrutivosSistemas EstruturaisMorfologia e Funcionamento das Estruturas
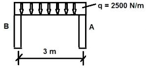
A figura a seguir representa uma viga, que está apoiada em dois pilares A e B, com uma distância entre os pilares de 3m. Sabendo-se que a carga distribuída aplicada na viga é igual a 2500 N/m e que as cargas nos pilares A e B são representadas por RA e RB, respectivamente, determine qual o valor da carga em cada um dos pilares.

