Analise a seguinte figura que apresenta o símbolo de um sensor utilizado em sistemas eletropneumáticos.

Nesse caso, essa representação corresponde a um sensor do tipo
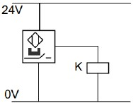
Analise a seguinte figura que apresenta o símbolo de um sensor utilizado em sistemas eletropneumáticos.

Nesse caso, essa representação corresponde a um sensor do tipo