
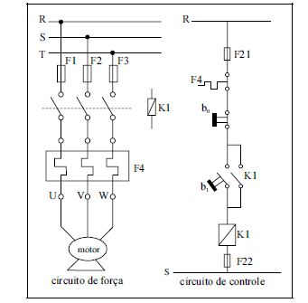
As figuras acima ilustram os circuitos de força e de controle para acionamento de um motor de indução trifásico. Julgue os itens que se seguem, que se referem aos componentes desses circuitos e ao funcionamento do motor.
Se o motor estiver em funcionamento, ele poderá ser desligado manualmente, bastando, para isso, pressionar-se a botoeira b0.