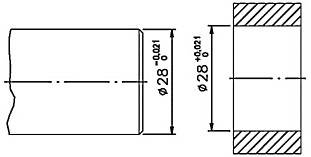
Para a montagem de um eixo maciço em uma bucha, a engenharia propôs no projeto uma montagem com o ajuste como indicado na imagem a seguir:

(Calcular os afastamentos inferior e superior do eixo e do furo.)
Assinale a alternativa que indica: As; Ai; as; ai; respectivamente, indicando o tipo de ajuste da montagem.