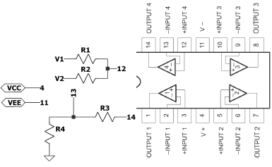
O circuito cujo esquema de conexões é apresentado na figura a seguir foi construído com o LM324, cujo esquema de configurações de pinos é também apresentado. Neste circuito, R1 = 2 kΩ, R2 = 3 kΩ, R3 = 9 kΩ, R4 = 1 kΩ, VCC = 10 V, VEE = - 10 V. Considerando que os valores máximos e mínimos de V1 e V2 sejam ± 10 mV, que tipo de saída é produzido pelo circuito em questão?
