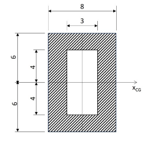
Para a superfície hachurada a seguir determinou-se o momento de inércia em relação ao eixo x que passa pelo centro de gravidade (medidas em centímetros). O valor do momento de inércia está CORRETAMENTE indicado na alternativa

Para a superfície hachurada a seguir determinou-se o momento de inércia em relação ao eixo x que passa pelo centro de gravidade (medidas em centímetros). O valor do momento de inércia está CORRETAMENTE indicado na alternativa
