Magna Concursos
2190357 Ano: 2011
Disciplina: Engenharia Mecânica
Banca: CESGRANRIO
Orgão: Petrobrás
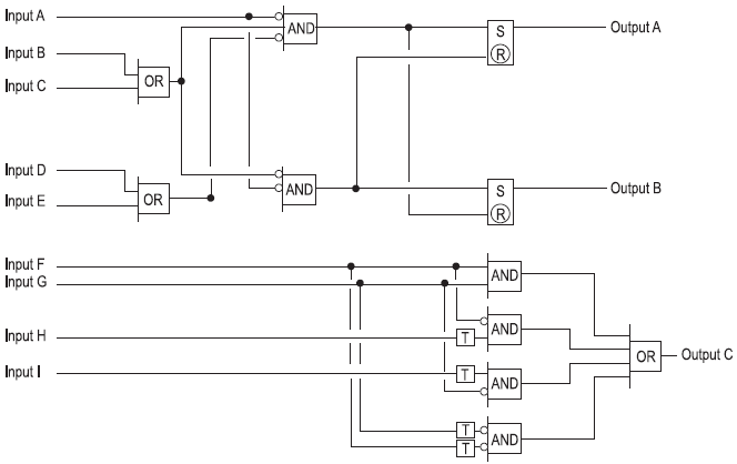
Enunciado 3106003-1
O esquema da figura acima, empregado na documentação de projetos de instrumentação, é denominado Diagrama
 

Provas

Questão presente nas seguintes provas

Técnico de Manutenção - Instrumentação

60 Questões