Magna Concursos
Questões
Planos
Entrar
Entrar
Criar Conta
Respondida
1126158
Ano:
2019
Disciplina:
Engenharia Elétrica
Banca:
AOCP
Orgão:
PC-ES
Provas:
Perito Criminal - Área 2
Provas
×
Transformadores e Máquinas Elétricas
Máquinas Estáticas
Transformador Monofásico
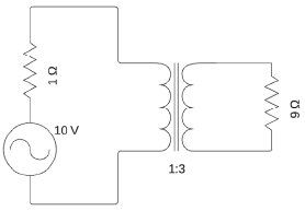
Para o circuito da seguinte figura, assinale a alternativa que apresenta o valor da potência absorvida pela resistência no lado secundário do transformador.
A
2,5 W.
B
100 W.
C
9 W.
D
25W.
E
90 W.
Resolver
Comentários
0
×
Cadernos
×
Flashcards
×
Estatísticas
×
Reportar um erro
×
Provas
Questão presente nas seguintes provas
Perito Criminal - Área 2
100 Questões
Resolver Prova
Publicar
Responder
Qual o problema da questão?
Selecione uma opção
Questão Desatualizada
Questão Repetida
Gabarito Errado
Outros Motivos
Mensagem
Enviar
Acessar
Criar Conta
Acesse sua Conta
Google
Facebook
Esqueci minha senha
Acessar
Ainda não tem conta?
Crie uma
!
Crie uma Conta
Criar Conta
Olá, para continuar, precisamos criar uma conta!
É
rápido
e
grátis
.
Google
Facebook
Concordo com os
Termos de Uso
Criar
Já tem uma conta?
Acesse aqui