Magna Concursos
809842 Ano: 2004
Disciplina: Engenharia Civil
Banca: CESPE / CEBRASPE
Orgão: PF
Provas:

Enunciado 809842-1

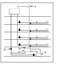
A figura acima representa esquematicamente um sistema ascendente, sem circulação, de aquecimento central de água de um edifício. Nessa figura, estão representados alguns componentes do sistema de aquecimento, incluindo caldeira, válvula de segurança contra pressão, caixa de água fria, válvula de rentenção e ventosa. Com base na disposição desses elementos na figura, é correto afirmar que o componente indicado pela letra

e é uma ventosa.

 

Provas

Questão presente nas seguintes provas

Engenheiro Civil

110 Questões