Magna Concursos
982523 Ano: 2019
Disciplina: Engenharia Elétrica
Banca: FUNDATEC
Orgão: Pref. Santa Rosa-RS
Provas:

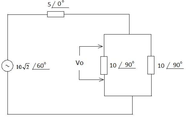
Determine a tensão Vo para o circuito a seguir:

enunciado 982523-1

 

Provas

Questão presente nas seguintes provas

Engenheiro Eletricista

60 Questões