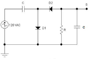
O circuito a seguir é alimentado pela tensão da rede elétrica de 120 VAC. Os diodos são ideais, o resistor é de 10 kΩ e os capacitores de 100 μF.

Algum tempo após a tensão da rede ser ligada o circuito entra em operação permanente, e o valor mais próximo para a tensão entre o ponto S e o ponto de aterramento é de:
Provas
Questão presente nas seguintes provas
Pesquisador do INPI - Eletrônica e Computação
50 Questões