Magna Concursos
1515105 Ano: 2016
Disciplina: Engenharia Civil
Banca: BIO-RIO
Orgão: Pref. São Gonçalo-RJ
Provas:
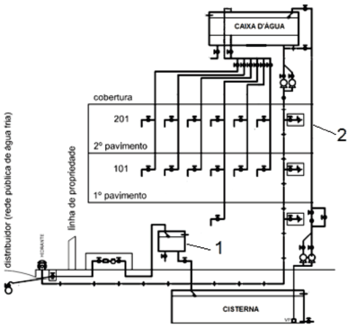
A figura a seguir apresenta o diagrama vertical da instalação de água fria de um pequeno edifício. Sobre essa instalação, responda a questão.
Enunciado 1515105-1
A alternativa que apresenta a seção transversal da válvula a ser utilizada na extremidade da tubulação 2 no interior da cisterna é:
 

Provas

Questão presente nas seguintes provas

Perito - Engenharia Civil

60 Questões