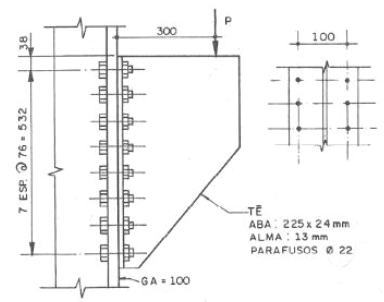
Um fixador para suportar uma carga foi construído conforme a figura a seguir, utilizando 16 parafusos.

Na condição do carregamento mostrado, o carregamento a que os parafusos estarão sujeitos é:
Provas
Questão presente nas seguintes provas
Um fixador para suportar uma carga foi construído conforme a figura a seguir, utilizando 16 parafusos.

Na condição do carregamento mostrado, o carregamento a que os parafusos estarão sujeitos é: