Magna Concursos
63151 Ano: 2009
Disciplina: Engenharia Mecânica
Banca: CESGRANRIO
Orgão: SFE-RJ

Enunciado 63151-1

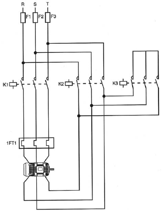
A figura acima representa os diagramas de força para partida de um motor de indução.

Este esquema refere-se a partida

 

Provas

Questão presente nas seguintes provas

Técnico de Manutenção - Mecânica

50 Questões