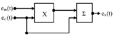
Analise o diagrama abaixo em que X é um circuito multiplicador de tensões de quatro quadrantes e Σ um somador.

Considere que:
• em(t) = Em sen ωm t
• ec(t) = Ec sen ωc t ,
Nesse caso, com Em < Ec e ωm << ωc , a saída es (t) será um sinal modulado em:
Provas
Questão presente nas seguintes provas