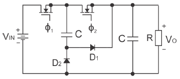
O circuito, mostrado na figura abaixo, é um conversor a capacitor chaveado de potência cujos Mosfets trabalham de forma complementar, ou seja, quando o transístor M1 está ligado, M2 está desligado e vice-versa. A tensão VO presente na carga R é dada por
