Magna Concursos
88349 Ano: 2006
Disciplina: Biologia
Banca: CESPE / CEBRASPE
Orgão: INPI
Provas:

Enunciado 3575561-1

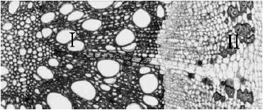
Internet: <atlasveg.ib.usp.br/Indice/index.htmL>.

Considerando a anatomia e a fisiologia dos componentes do sistema vascular de plantas dicotiledôneas e a figura acima, assinale a opção correta.

 

Provas

Questão presente nas seguintes provas

Pesquisador do INPI - AP03

50 Questões