Magna Concursos
584597 Ano: 2014
Disciplina: Engenharia Eletrônica
Banca: CESPE / CEBRASPE
Orgão: INPI

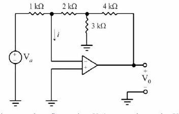
Enunciado 584597-1

No circuito mostrado na figura acima, Va é a tensão de entrada e V0 é a tensão de saída. Considerando que o amplificador operacional seja ideal, julgue os próximos itens.

O ganho de tensão do circuito é infinito.
 

Provas

Questão presente nas seguintes provas

Pesquisador do INPI - Engenharia Eletrônica

120 Questões