Magna Concursos
279607 Ano: 2003
Disciplina: Engenharia Eletrônica
Banca: UFRN
Orgão: UFRN
Provas:

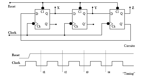
Com base no circuito digital e no "timing" mostrados abaixo, responda as questões 20 e 21.

Enunciado 3124764-1

Considerando que o sinal "RESET" é mantido em nível lógico 1, as seqüências em XYZ voltarão a se repetir após
 

Provas

Questão presente nas seguintes provas

Engenheiro Eletrônico

40 Questões