
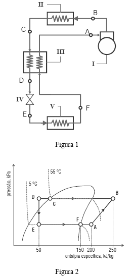
A figura 1 apresenta o esquema de um sistema de refrigeração que opera conforme o gráfico de pressão × entalpia representado na figura 2. Na figura 1, os componentes IV e V se encontram no interior de uma câmara fria com temperatura interna do ar de 10 ºC, e o componente II está montado ao ar livre, com temperatura atmosférica de 40 ºC.
Com base nessas informações, julgue o item que se segue.
O sistema emprega um trocador de calor regenerador que, desprezando trocas de calor com o ambiente, afeta o desempenho do ciclo de tal forma que hC - hD = hA - hF, em que hA, hC, hD e hF representam as entalpias específicas nos pontos A, C, D e F, respectivamente.