Magna Concursos
Questões
Planos
Entrar
Entrar
Criar Conta
Respondida
1387151
Ano:
2010
Disciplina:
Engenharia Eletrônica
Banca:
IF-SUL
Orgão:
IF-SUL
Provas:
Professor PEBTT - Eletroeletrônica
Provas
×
Circuitos de excitação senoidal, fasores em c.a., impedância e tensão eficaz
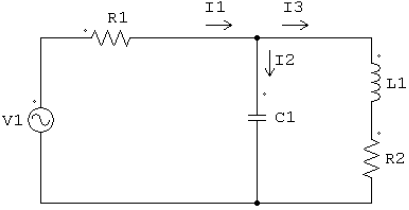
Observe o circuito abaixo.
O circuito acima é composto por indutores, resistores, capacitores e por uma fonte de tensão alternada com valor eficaz V1.
É verdadeiro afirmar sobre as correntes eficazes I1, I2 e I3 que
A
I1>I2>I3
B
b) I1=I2+I3
C
c) I1<I2+I3
D
d) I1<I2<I3
Resolver
Comentários
0
×
Cadernos
×
Flashcards
×
Estatísticas
×
Reportar um erro
×
Provas
Questão presente nas seguintes provas
Professor PEBTT - Eletroeletrônica
40 Questões
Resolver Prova
Publicar
Responder
Qual o problema da questão?
Selecione uma opção
Questão Desatualizada
Questão Repetida
Gabarito Errado
Outros Motivos
Mensagem
Enviar
Acessar
Criar Conta
Acesse sua Conta
Google
Facebook
Esqueci minha senha
Acessar
Ainda não tem conta?
Crie uma
!
Crie uma Conta
Criar Conta
Olá, para continuar, precisamos criar uma conta!
É
rápido
e
grátis
.
Google
Facebook
Concordo com os
Termos de Uso
Criar
Já tem uma conta?
Acesse aqui