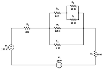
O circuito representado na figura a seguir é composto por duas fontes de tensão e sete resistores.

Assinale a alternativa que apresenta corretamente o módulo da potência P no resistor R2 em watts e da tensão V no resistor R5 em volts.
O circuito representado na figura a seguir é composto por duas fontes de tensão e sete resistores.

Assinale a alternativa que apresenta corretamente o módulo da potência P no resistor R2 em watts e da tensão V no resistor R5 em volts.