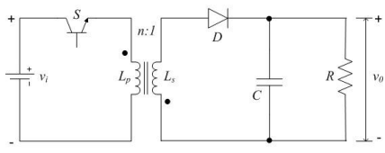
A figura a seguir representa um conversor dc-dc com entrada Vi e saída Vo.

O tipo de conversor mostrado na figura é denominado de conversor
A figura a seguir representa um conversor dc-dc com entrada Vi e saída Vo.

O tipo de conversor mostrado na figura é denominado de conversor