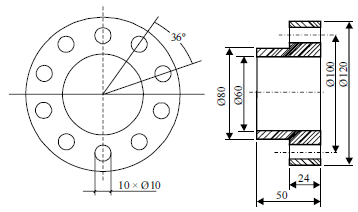
Considere que uma máquina fresadora deve ser utilizada para realizar a operação de furar utilizando uma broca fixada no cabeçote vertical da máquina por meio de um mandril. A peça a ser usinada será fixada em uma mesa divisora com relação de 40/1. Essa peça a ser usinada é um flange, onde se deseja fazer 10 furos eqüidistantes um do outro, conforme mostra a ilustração abaixo.

Acerca desse projeto de usinagem, julgue o item que se segue.
Como os furos desejados são de 10 mm, não há necessidade da realização prévia de furos-guia.