Magna Concursos
1569073 Ano: 2009
Disciplina: Engenharia Elétrica
Banca: IF-SC
Orgão: IF-SC

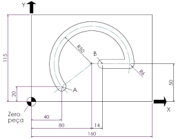
Considere o fresamento do rasgo partindo de “A” e terminando em “B”, a programação CNC correta é:

Enunciado 1569073-1

 

Provas

Questão presente nas seguintes provas

Engenheiro - Automação Industrial

40 Questões