Magna Concursos
534646 Ano: 2018
Disciplina: Engenharia Eletrônica
Banca: FUNDEP
Orgão: INB
Provas:

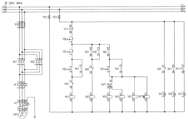
Analise o diagrama elétrico a seguir.

enunciado 534646-1

Com relação a esse diagrama, é correto afirmar:

 

Provas

Questão presente nas seguintes provas