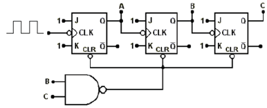
O circuito da figura corresponde a um contador assíncrono.

Figura acima – Contador assíncrono
As saídas A, B e C são responsáveis por indicar a contagem binária, sendo a saída A referente ao bit menos significativo. As saídas B e C são também conectadas às entradas da porta NAND.
Assumindo que inicialmente que as saídas C, B e A estão com valor binário 000, ou seja, C=0, B=0 e A=0, qual o valor binário presente nessas saídas após 10 pulsos de clock?