Magna Concursos
3252101 Ano: 2014
Disciplina: Engenharia Elétrica
Banca: FEPESE
Orgão: CELESC
Provas:

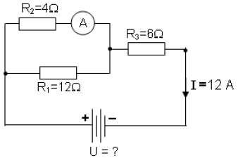
Dado o circuito a seguir:

Enunciado 3579825-1

Determine a resistência equivalente, a corrente lida no amperímetro e a tensão da fonte.

 

Provas

Questão presente nas seguintes provas

Eletricista

50 Questões