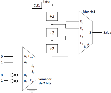
Considere o circuito abaixo, composto de um gerador de relógio de 3kHz, 3 divisores de frequência, um multiplexador 4x1, um somador de 2 bits e dois inversores.

O valor da frequência do sinal de saída, é de
Provas
Questão presente nas seguintes provas