Na figura abaixo, observa-se um amplificador operacional em um circuito que contém ainda dois resistores R1 e R2.

Esse circuito é conhecido pelo nome de:
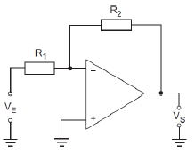
Na figura abaixo, observa-se um amplificador operacional em um circuito que contém ainda dois resistores R1 e R2.

Esse circuito é conhecido pelo nome de: