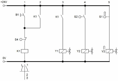
Considere o diagrama de comando eletropneumático a seguir:

Em condições normais de operação, segundo as simbologias e nomenclaturas contidas no diagrama
Considere o diagrama de comando eletropneumático a seguir:

Em condições normais de operação, segundo as simbologias e nomenclaturas contidas no diagrama