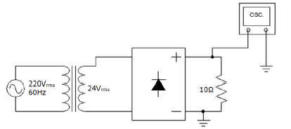
Para o circuito abaixo, considere o transformador e a fonte ideais, a ponte retificadora de onda completa e a queda de tensão nos diodos de 0,7 V.

Sobre o resistor é feita uma medição do sinal com um osciloscópio (OSC.). Os valores da tensão de pico e da frequência desse sinal, são respectivamente:
Provas
Questão presente nas seguintes provas