Magna Concursos
Questões
Planos
Entrar
Entrar
Criar Conta
Respondida
2435389
Ano:
2012
Disciplina:
Engenharia Elétrica
Banca:
IF-CE
Orgão:
IF-CE
Provas:
Técnico de Eletrotécnica
Provas
×
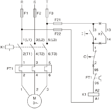
A figura representa o diagrama de força para partida de um motor de indução trifásico.
Este esquema refere-se à partida
A
direta.
B
série-paralelo.
C
estrela-triângulo.
D
com chave compensadora.
E
soft-starter.
Resolver
Comentários
0
×
Cadernos
×
Flashcards
×
Estatísticas
×
Reportar um erro
×
Provas
Questão presente nas seguintes provas
Técnico de Eletrotécnica
60 Questões
Resolver Prova
Publicar
Responder
Qual o problema da questão?
Selecione uma opção
Questão Desatualizada
Questão Repetida
Gabarito Errado
Outros Motivos
Mensagem
Enviar
Acessar
Criar Conta
Acesse sua Conta
Google
Facebook
Esqueci minha senha
Acessar
Ainda não tem conta?
Crie uma
!
Crie uma Conta
Criar Conta
Olá, para continuar, precisamos criar uma conta!
É
rápido
e
grátis
.
Google
Facebook
Concordo com os
Termos de Uso
Criar
Já tem uma conta?
Acesse aqui