Magna Concursos
1816311 Ano: 2018
Disciplina: Engenharia Elétrica
Banca: FUMARC
Orgão: CEMIG
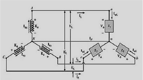
De acordo com a figura abaixo do circuito polifásico, analise as afirmações, identificando-as com V ou F, conforme sejam verdadeiras ou falsas:
Enunciado 3239448-1
( ) A tensão de linha (EL) é igual à tensão de fase (EΦ).
( ) Se as impedâncias da carga forem iguais (Z1 = Z2 = Z3), a corrente IN, condutor neutro, é nula.
( ) A corrente de linha (IL) é √3 maior que a corrente de fase(IΦ).
( ) As tensões entre as fases (EΦ) estão defasadas de 120° na sequência Negativa.
( ) A figura representa um sistema com gerador e carga conectados em Δ (delta).
A sequência CORRETA, de cima para baixo, é:
 

Provas

Questão presente nas seguintes provas