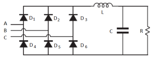
A figura abaixo apresenta um retificador trifásico não controlado:

Considere as afirmativas a respeito desse retificador:
I. A tensão sobre o resistor possui 6 pulsos no período de 2!$ \pi !$ das tensões de fase.
II. O período da função da tensão sobre a carga é de !$ \pi !$/6 s.
III. As correntes de fase possuem período de !$ \pi !$ s.
É correto somente o que se apresenta em: