Considere o sistema trifásico equilibrado com sequência de fases ABC e tensão de linha 220 V. Despreze qualquer interferência dos wattímetros e a impedância dos condutores.

A soma das leituras dos dois wattímetros será
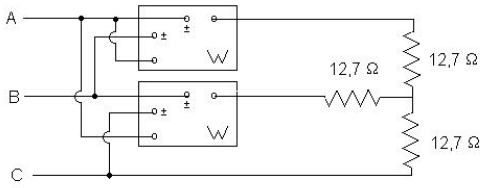
Considere o sistema trifásico equilibrado com sequência de fases ABC e tensão de linha 220 V. Despreze qualquer interferência dos wattímetros e a impedância dos condutores.

A soma das leituras dos dois wattímetros será