3402056
Ano: 2024
Disciplina: Engenharia Eletrônica
Banca: COTEC
Orgão: Pref. Montes Claros-MG
Disciplina: Engenharia Eletrônica
Banca: COTEC
Orgão: Pref. Montes Claros-MG
Provas:
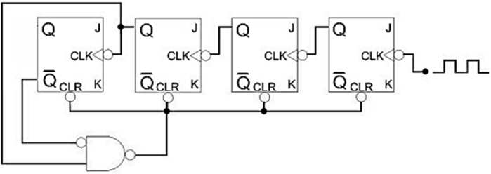
A figura a seguir mostra um contador construído a partir de flip-flops JK. Considere que as entradas J e K estão sempre em nível lógico alto. Escolha a alternativa que melhor descreve o tipo de contador da figura:

Fonte: O autor, 2024.