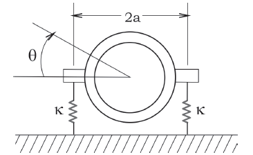
Um motor elétrico é apoiado em 4 molas, cada uma podendo ser modelada como possuindo uma relação linear com o deslocamento, definido por uma constante k.

Se o momento de inércia do eixo central de rotor do motor é J, avalie a sua freqüência natural.
Um motor elétrico é apoiado em 4 molas, cada uma podendo ser modelada como possuindo uma relação linear com o deslocamento, definido por uma constante k.

Se o momento de inércia do eixo central de rotor do motor é J, avalie a sua freqüência natural.