Magna Concursos
1343628 Ano: 2013
Disciplina: Engenharia Eletrônica
Banca: FUNDATEC
Orgão: UNIPAMPA
Provas:

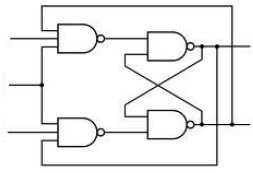
A figura abaixo representa um Flip- Flop.

Enunciado 1343628-1

Marque a alternativa que apresenta o tipo correto de circuito.

 

Provas

Questão presente nas seguintes provas

Técnico em Eletrônica

50 Questões