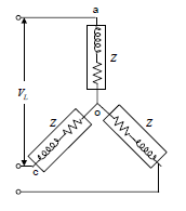
O circuito trifásico da figura a seguir está ligado a três impedâncias iguais conectadas em Y, cada uma de valor Z = 8 + j6 . Supondo que o circuito é alimentado com tensões de linha equilibradas de valor VL = 380 V eficazes, a potência reativa total, em var, vale
