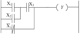
O controlador lógico programável (CLP) é um sistema de controle projetado para operar em ambiente industrial e que tem como base um microprocessador. Alguns tipos de linguagens são utilizados visando facilitar a programação. Uma dessas linguagens é denominada diagrama ladder e, através dela, pode-se, por exemplo, representar circuitos lógicos, como o mostrado na figura a seguir.

O programa, em linguagem ladder, equivalente ao circuito dado é: