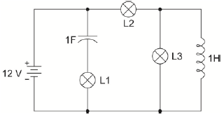
O circuito mostrado abaixo é alimentado por uma fonte de tensão contínua de 12 V e as lâmpadas são de 12 V/6W.

Considerando regime permanente é correto afirmar que

Considerando regime permanente é correto afirmar que