Magna Concursos
Questões
Planos
Entrar
Entrar
Criar Conta
Respondida
1299444
Ano:
2012
Disciplina:
Engenharia Eletrônica
Banca:
UFPel
Orgão:
UFPel
Provas:
Técnico em Equipamentos Médico-Odontológicos
Provas
×
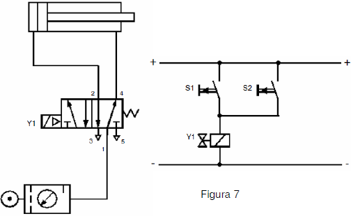
Acionamentos pneumáticos e hidráulicos
No circuito da Figura 7, em relação à haste do cilindro, se os botões pulsadores S1 e S2 forem acionados em sequência,
A
S1 avança e S2 recua a haste.
B
S2 avança e S1 recua a haste.
C
ambos recuam a haste
D
ambos avançam a haste.
E
a haste permanece em repouso.
Resolver
Comentários
0
×
Cadernos
×
Flashcards
×
Estatísticas
×
Reportar um erro
×
Provas
Questão presente nas seguintes provas
Técnico em Equipamentos Médico-Odontológicos
40 Questões
Resolver Prova
Publicar
Responder
Qual o problema da questão?
Selecione uma opção
Questão Desatualizada
Questão Repetida
Gabarito Errado
Outros Motivos
Mensagem
Enviar
Acessar
Criar Conta
Acesse sua Conta
Google
Facebook
Esqueci minha senha
Acessar
Ainda não tem conta?
Crie uma
!
Crie uma Conta
Criar Conta
Olá, para continuar, precisamos criar uma conta!
É
rápido
e
grátis
.
Google
Facebook
Concordo com os
Termos de Uso
Criar
Já tem uma conta?
Acesse aqui