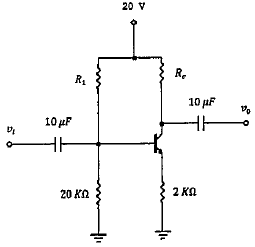
Considere o circuito abaixo.

Sabendo que a corrente no coletor Ic) é igual a 2,15 mA e a tensão entre coletor e emissor (Vce) é igual a 9,25 V, calcule os valores de R1 e Rc e assinale a opção correta.
Dados: !$ I_c \cong I_E !$
Provas
Questão presente nas seguintes provas
Corpo Auxiliar de Praças - Telecomunicações
50 Questões