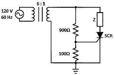
Analise o circuito abaixo para uma carga genérica Z considerando que o SCR possui tensão de disparo do gatilho e corrente de disparo do gatilho, respectivamente, VGT = 0,982 V e IGT = 200 μA, e sua corrente de manutenção é desprezível:

Assinale a opção que apresenta o ciclo de trabalho (Duty Cycle) do SCR.