Magna Concursos
2266204 Ano: 2009
Disciplina: Engenharia Mecânica
Banca: UFRJ
Orgão: UFRJ
Provas:

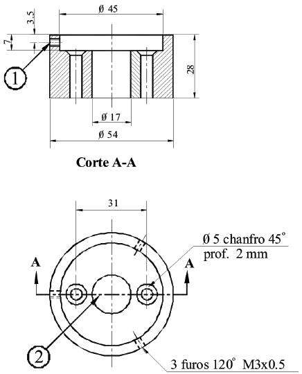
Observe o desenho técnico mostrado abaixo:

Enunciado 3571695-1

A seta 2 indica:

 

Provas

Questão presente nas seguintes provas

Técnico de Mecânica

50 Questões