Magna Concursos
Questões
Planos
Entrar
Entrar
Criar Conta
Respondida
721489
Ano:
2009
Disciplina:
Engenharia Elétrica
Banca:
FCC
Orgão:
TCE-GO
Provas:
Analista de Controle Externo - Engenharia Elétrica
Provas
×
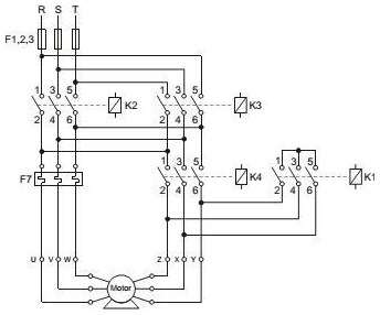
O esquema abaixo
representa um comando
A
automático de ligação direta e com reversão.
B
estrela - triângulo.
C
automático estrela - triângulo com reversão.
D
automático de partida utilizando chave compensadora.
E
automático de partida direta.
Resolver
Comentários
0
×
Cadernos
×
Flashcards
×
Estatísticas
×
Reportar um erro
×
Provas
Questão presente nas seguintes provas
Analista de Controle Externo - Engenharia Elétrica
99 Questões
Resolver Prova
Publicar
Responder
Qual o problema da questão?
Selecione uma opção
Questão Desatualizada
Questão Repetida
Gabarito Errado
Outros Motivos
Mensagem
Enviar
Acessar
Criar Conta
Acesse sua Conta
Google
Facebook
Esqueci minha senha
Acessar
Ainda não tem conta?
Crie uma
!
Crie uma Conta
Criar Conta
Olá, para continuar, precisamos criar uma conta!
É
rápido
e
grátis
.
Google
Facebook
Concordo com os
Termos de Uso
Criar
Já tem uma conta?
Acesse aqui