Magna Concursos
424053 Ano: 2017
Disciplina: Engenharia Mecânica
Banca: UFPI
Orgão: UFPI
Provas:

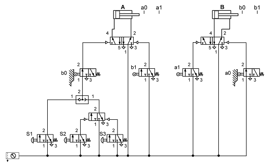
Sobre o circuito pneumático mostrado na figura abaixo, assinale a alternativa CORRETA.

Enunciado 424053-1

 

Provas

Questão presente nas seguintes provas

Técnico de Eletromecânica

50 Questões